Translate

Download Freightliner Fld Wiring Diagram Hardcover

Download Freightliner Fld Wiring Diagram Epub





  • Read Pharmaceutical-Sales-Training-Manual Doc
  • Download Sign Posts - Place Names In History Of Burlington County, Nj Paperback
  • Read Online Weskaap Onderwys Departement Gr 8 Vraestelle Paperback
  • Read Online Motorola Walkie Talkie Manual K7gfv300 PDF
  • Read Stock Worker Study Guide mobipocket
  • Download Chevrolet Malibu Classic Repair Manual Audio CD
  • Read Online Basic Zumba Instructor Training Manual mobipocket
  • Read Online Theodore Wildi Electrical Machines 5th Edition rtf
  • Download Economics Organization And Management Milgrom Doc
  • Read Online 2001 Jeep Wrangler Owners Manual Library Binding
  • Download Interest Rate Modeling. Volume 3: Products And Hardcover
  • Read Making Sense Of Education An Introduction To The Philosophy And Theory Of Education And Teaching Doc
  • Read Online Polaris 455 Diesel Service Manual Paperback
  • Download Legal_Tenants_Rights rtf
  • Download Cat 3024c Engine Assembly Manual mobipocket
  • Read 56th-Sps-Nakhon-Phanom-Vdha Kindle Editon
  • Read The Laundrymen: Inside The Worlds Third Largest Business Kindle Editon
  • Download Hamlet (Oxford Bookworms Library: Stage 2) Paperback
  • Download Bran Mak Morn: Legion From The Shadows Epub
  • Download M14 2 Abspa Sp1 Spa Tz0 Xx T Mark Scheme Pdf Paperback

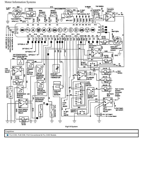
  • Freightliner Fld Wiring Diagram

    Freightliner Fld Wiring Diagram

    Freightliner Fld Wiring Diagram


    0 Response to "Download Freightliner Fld Wiring Diagram Hardcover"

    Post a Comment